-
Shopping cart is empty
-
x
For free delivery are missing
-,--
Free delivery!
Sum NET
0 €
Sum Gross
0 €
Price includes discounts
FAST PAYMENTS Przelewy24 - BLIK
0
your shopping cart
0 €
-
Shopping cart is empty
-
x
For free delivery are missing
-,--
Free delivery!
Sum NET
0 €
Sum Gross
0 €
Price includes discounts
-
Nasadka udarowa sześciokątna 1.1/2" rozmiar 150mm Bahco [K9801M-150] profil Dynamic-Drive
The loyalty program is only available for logged in customers.
| Reviews | |
| Shipping within | 48 hours |
| Shipping price | The Lack Of |
| The bar code | |
| EAN | 7314150167203 |
| Leave your phone |
Nasadka udarowa sześciokątna 1.1/2" do śrub 150 mm, Bahco [K9801M-150]:
- profesjonalna nasadka udarowa 6-kątna z mocowaniem na kwadrat 1.1/2" z serii K9801M,
- wykonana z wysokiej jakości stali stopowej, kutej, oksydowanej, zgodnie z normą DIN 3129, ISO 2725,
- sześciokątny profil nasadki Dynamic Drive pozwala na pracę z wyższym momentem siły - rozkłada siły działające na śrubę na większej powierzchni, dzięki czemu nie niszczy śrub a oprócz tego pozwala na pracę z już zniszczonymi śrubami,
- nasadka udarowa przeznaczona jest do stosowania w elektronarzędziach, narzędziach akumulatorowych oraz pneumatycznych z napędem udarowym,
- w celu zapewnienia maksymalnego bezpieczeństwa do nasadki udarowej należy użyć sprężyny zaciskowej K560F-8.
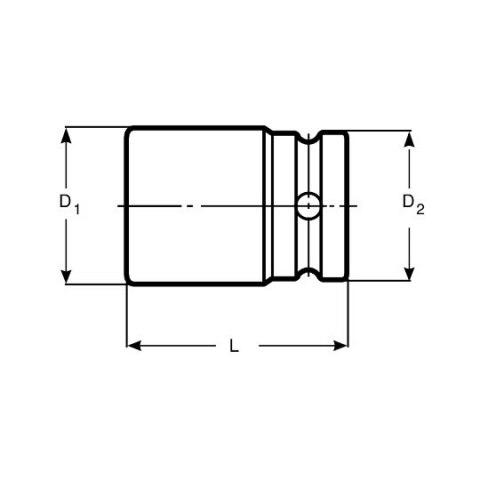
Parametry techniczne nasadki udarowej Bahco [K9801M-150]:
- rozmiar nasadki: 150 mm,
- rodzaj nasadki: sześciokątna,
- mocowanie: kwadrat 1.1/2" (DIN 31-H 40, ISO 1174),
- długość całkowita nasadki L: 184,2 mm,
- średnica u nasady D1: 199,5 mm,
- średnica u wylotu D2: 82,6 mm,
- waga: 19120g
Manufacturer details
SNA Europe
ANTIGUA CTRA.ALTUBE, KM 5.5
01196 VITORIA-GASTEIZ
Spain
info.pl@snaeurope.com
Responsible person
SNA Europe
ANTIGUA CTRA.ALTUBE, KM 5.5
01196 VITORIA-GASTEIZ
Spain
info.pl@snaeurope.com
There is currently no comments or ratings for this product.
