-
Кошик пустий
-
x
Безкоштовно доставки відсутні
-,--
Безкоштовна доставка!
Сума NET
0 €
Сума Валовий
0 €
У вартість включені знижки
ШВИДКІ ВИПЛАТИ Przelewy24 - BLIK
0
Ваш кошик
0 €
-
Кошик пустий
-
x
Безкоштовно доставки відсутні
-,--
Безкоштовна доставка!
Сума NET
0 €
Сума Валовий
0 €
У вартість включені знижки
-
Nasadka udarowa sześciokątna 1.1/2" rozmiar 46mm Bahco [K9801M-46] profil Dynamic-Drive
Програма лояльності доступна лише для входу в гості.
| Відгуків | |
| Доставка в межах | 48 годин |
| Вартість доставки | Відсутність |
| Штрих-код | |
| EAN | 7314151845056 |
| Залишити свій телефон |
Nasadka udarowa sześciokątna 1.1/2" do śrub 46 mm, Bahco [K9801M-46]:
- profesjonalna nasadka udarowa 6-kątna z mocowaniem na kwadrat 1.1/2" z serii K9801M,
- wykonana z wysokiej jakości stali stopowej, kutej, oksydowanej, zgodnie z normą DIN 3129, ISO 2725,
- sześciokątny profil nasadki Dynamic Drive pozwala na pracę z wyższym momentem siły - rozkłada siły działające na śrubę na większej powierzchni, dzięki czemu nie niszczy śrub a oprócz tego pozwala na pracę z już zniszczonymi śrubami,
- nasadka udarowa przeznaczona jest do stosowania w elektronarzędziach, narzędziach akumulatorowych oraz pneumatycznych z napędem udarowym,
- w celu zapewnienia maksymalnego bezpieczeństwa do nasadki udarowej należy użyć sprężyny zaciskowej K560F-8.
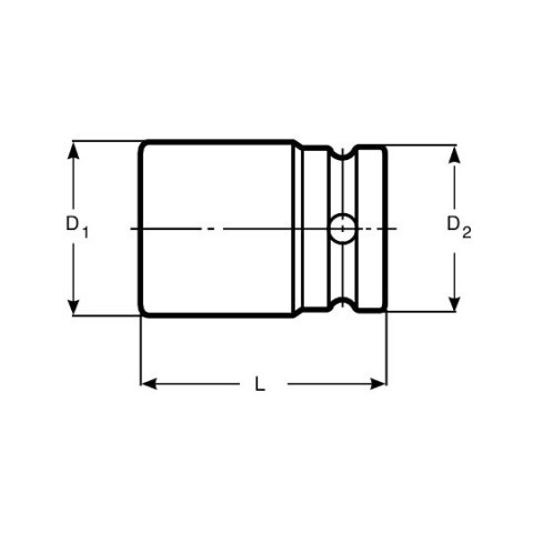
Parametry techniczne nasadki udarowej Bahco [K9801M-46]:
- rozmiar nasadki: 46 mm,
- rodzaj nasadki: sześciokątna,
- mocowanie: kwadrat 1.1/2" (DIN 31-H 40, ISO 1174),
- długość L: 82 mm,
- średnica u nasady D1: 76,3 mm,
- średnica u wylotu D2: 86 mm,
- waga: 2280g
Деталі про виробника
SNA Europe
ANTIGUA CTRA.ALTUBE, KM 5.5
01196 VITORIA-GASTEIZ
Spain
info.pl@snaeurope.com
Відповідальна особа
SNA Europe
ANTIGUA CTRA.ALTUBE, KM 5.5
01196 VITORIA-GASTEIZ
Spain
info.pl@snaeurope.com
В даний час немає коментарів або оцінки для цього продукту.
